FZN25-12 Series Indoor High Voltage Vacuum Load Break Switch
FZN25-12 Series Indoor High Voltage Vacuum Load Break Switch
Application
FZN25-12 indoor HV vacuum load break switch a 3-phase AC 50Hz 12kV indoor switch equipment.
♦ Operating mechanism: spring operating mechanism, manual type and electrical type available;
♦ Operation type: right operati on an d left operation;
♦ Operation direction: left operation, right operation;
♦ Application: indoor 12kv switchgear.
Specifications
Environmental Conditions
Ambient temperature: -25°C 〜+40°C;
Altitude: <1000m (above sea level);
Relative humidity: daily average <95%, monthly average <90%;
Earthquake intensity: <8 level;
Pollution grade: II;
Installation place without fire, explosion, chemical corrosion and serious vibration.
Parameter
Main technical parameters
| NO | Item | Unit | FZN25-12LT 630-20 | FZRN25-12D/T 200-31.5 | |
| 1 | Rated voltage | kV | 12 | 12 | |
| 2 | Rated frequency | Hz | 50 | 50 | |
| 3 | Rated current | A | 630 | 200 | |
| 4 | 1min power frequency withstand voltage (Phase to earth, | Phase-to-earth, phase-to-phase | kV | 42 | 42 |
| between poles, open contacts) | Isolating fracture | 48 | 48 | ||
| 5 | Rated lightning impulse withstand voltage (Phase to | Phase-to-earth, phase-to-phase | kV | 75 | 75 |
| earth, between poles, open contacts) | Isolating fracture | 85 | 85 | ||
| 6 | Rated short time withstand current (thermal stability current) | Load break switch | kA | 20 | |
| 7 | Rated short circuit duration ( thermal stability time) | Load break switch | s | 4 | |
| 8 | Rated short circuit making current (peak) | kA | 50 | ||
| 9 | Rated active load breaking current | A | 630 | ||
| 10 | Rated loop breaking current | 630 | |||
| 11 | Rated cable charging current | 10 | |||
| 12 | Rated no-load transformer capacity | kVA | 1600 | 1600 | |
| 13 | Rated short circuit breaking current (limit current fuse) | kA | 31.5 | ||
| 14 | Rated breaking transfer current | A | 2000 | ||
| 15 | Fuse model | SDLAJ-12 SFLZJ-12 | |||
| 16 | Striker output energy | J | 2-5 | ||
| NO | Item | Unit | FZN25-12D/T 630-20 | FZRN25-12D/T 200-31.5 |
| 17 | Auxiliary circuit rated voltage | V | ^110 ^220 | ^110 ^220 |
| 18 | Earth switch rated short time withstand current | kA | 20 | 20 |
| 19 | Earth switch rated peak short circuit duration | S | 2 | 2 |
| 20 | Earth switch rated peak withstand current | kA | 50 | 50 |
| 21 | Rated short making current | kA | 50 | 80(prospective peak value) |
| 22 | Mechanical life | times | 10000 | 10000 |
Mechanical property
| NO | Item | Unit | Value | |
| FZN25-12 D/ T630 20 | FZRN25-12 D/T200-31.5 | |||
| 1 | Air clearance between charged parts and to earth | mm | >125 | |
| 2 | Conducting tube insert into fixed contact holder depth | mm | >18 | |
| 3 | Vacuum interrupter open distance | mm | 600+1 | |
| 4 | Vacuum interrupter contact spring compression length | mm | 20+1 | |
| 5 | Vacuum interrupter average closing speed | m/s | 0.6±0.2 | |
| 6 | Vacuum interrupter average opening speed | m/s | 1.0±0.2 | |
| 7 | Closing bouncing time | ms | <2 | |
| 8 | Three phase closing and opening synchronism | ms | <3 | |
| 9 | Main circuit resistance | rQ | <150 | <300 |
| 10 | Manual opera+’on maximum torque | n.m | <160 | |
| 11 | Fuse trigger opening time | ms | – | 30-40 |
| 12 | Release trigger opening time | ms | 40-45 | |
Energy storage motor parameters
| Model | Rated voltage V | Rated current A | Rated power W | Normal working voltage range |
| LLZY-CJ01B8 | AC/DC220 | 0.7 | 70 | 85%-110% rated |
| 66ZY-CJ028 | AC/DC110 | 1.5 | voltage |
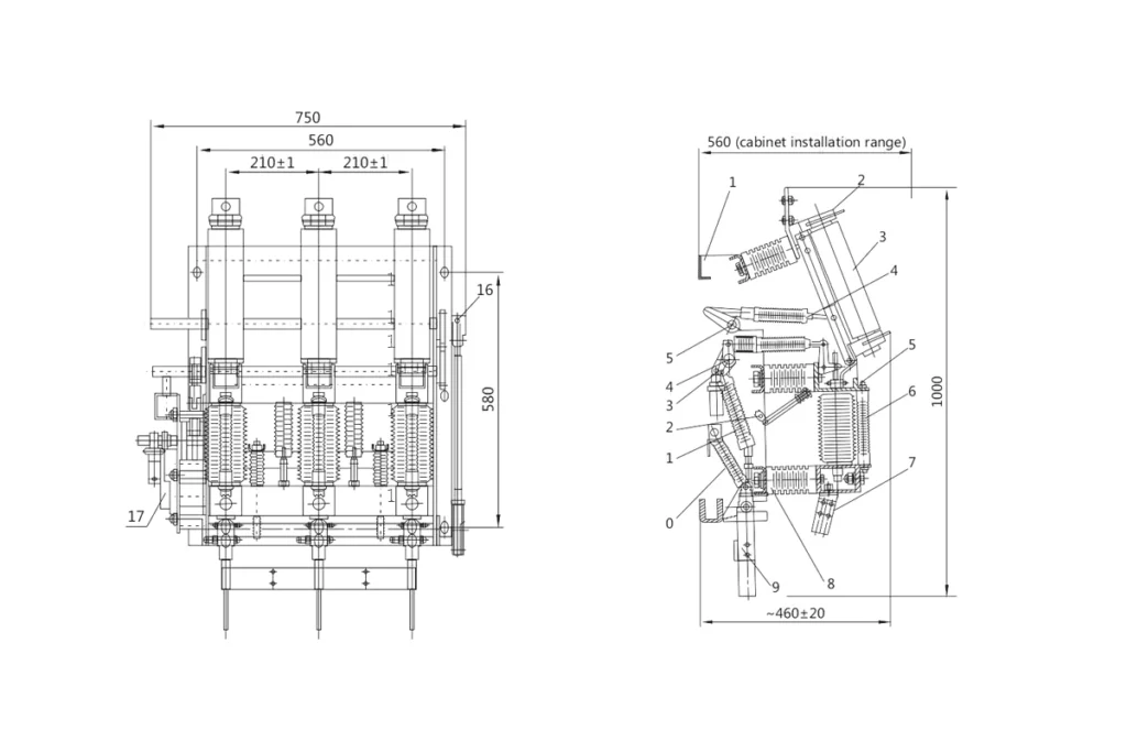
General Structure Drawing and Installation Size (unit: mm)

1. Cabinet bracket 2. Disconnector 3. Fuse 4. Insulated tension pole5. Upper bracket 6. Vacum interrupter 7. Static contact 8. Insulator9. Grounding knife 10. Grounding knife spring 11.Opening spring12. The tripping driving device 13. Insulated tension pole 14. Main axle15.Layshaft 16. Adjusting yoke 17. Spring operating mechanism
PDF Download
PDF Download
Why Choose Us

Contact Us Immediately
Contact Us
- 24-hour online service
- Own factory processing
Product Category
hot-sale product
Vacuum Load Break Switch
Single pole vertical installation
Horizontal installation
Pole top installation
Indoor high-voltage SF6 load break switch is widely used in the 11~36kV electric power distribution systems.

QZ Group Co., Ltd. delivers top-tier electrical equipment and solutions to meet your needs. With a robust portfolio of products and a commitment to excellence, we are your trusted partner in the electrical industry.
Follow Us:
products
Inquiry
© Copyright 2024 by QZ Group Co., Ltd. All Rights Reserved.

